¿Ê±
Loading...
Ê×Ò³
¿Ê±¼ò½é
¿Ê±¼ò½é
Éú²ú³µ¼ä
²úÆ·ÈÏÖ¤
ÆóÒµÎÄ»¯
Ïòµ¼Ö´Ç
Éú³¤Àú³Ì
×éÖ¯¼Ü¹¹
ÆóÒµÉùÓþ
²úÆ·ÖÐÐÄ
¸ßÖÐѹîø×°ÒÆ¿ªÊ½½»Á÷½ðÊô¹Ø±Õ¿ª¹Ø×°±¸
ÖÇÄÜÐ͵Íѹ³é³öʽ¿ª¹Ø×°±¸
ÖÇÄÜÐÍÏäʽ±äµçÕ¾
¸ßÖÐѹÏäÐÍÀο¿Ê½½»Á÷½ðÊô¹Ø±Õ»·Íø¿ª¹Ø×°±¸
µÍѹ¶¯Á¦¹ñ¡¢¿ØÖƹñ¡¢ÕÕÃ÷Ïä×Ô¶¯»¯¿ØÖÆ×°±¸
Ò½ÁÆ×°±¸¡¢»·±£×°±¸
¸ßѹµçÀ·ÖÖ§Ïä
µçÁ¦±äѹÆ÷
¹Ø±ÕʽĸÏß²Û
ÐÂÎÅ×ÊѶ
¹«Ë¾ÐÂÎÅ
ÐÐÒµÐÂÎÅ
ÓªÏú·þÎñ
·þÎñÏÈÈÝ
ÏàÖúÁ÷³Ì
ÊÖÒÕÖ§³Ö
Öʱ£ÏµÍ³
È˲ÅÕÐÆ¸
È˲ÅÀíÄî
È˲ÅÕÐÆ¸
ëËí×Ô¼ö
¿Í·þÖÐÐÄ
ÁªÏµ¿Ê±
ÁôÑÔÖÐÐÄ
English
ÓïÑÔ
ÖÐÎÄ
English
ÄúµÄλÖãº
Ê×Ò³
-
²úÆ·ÖÐÐÄ
-
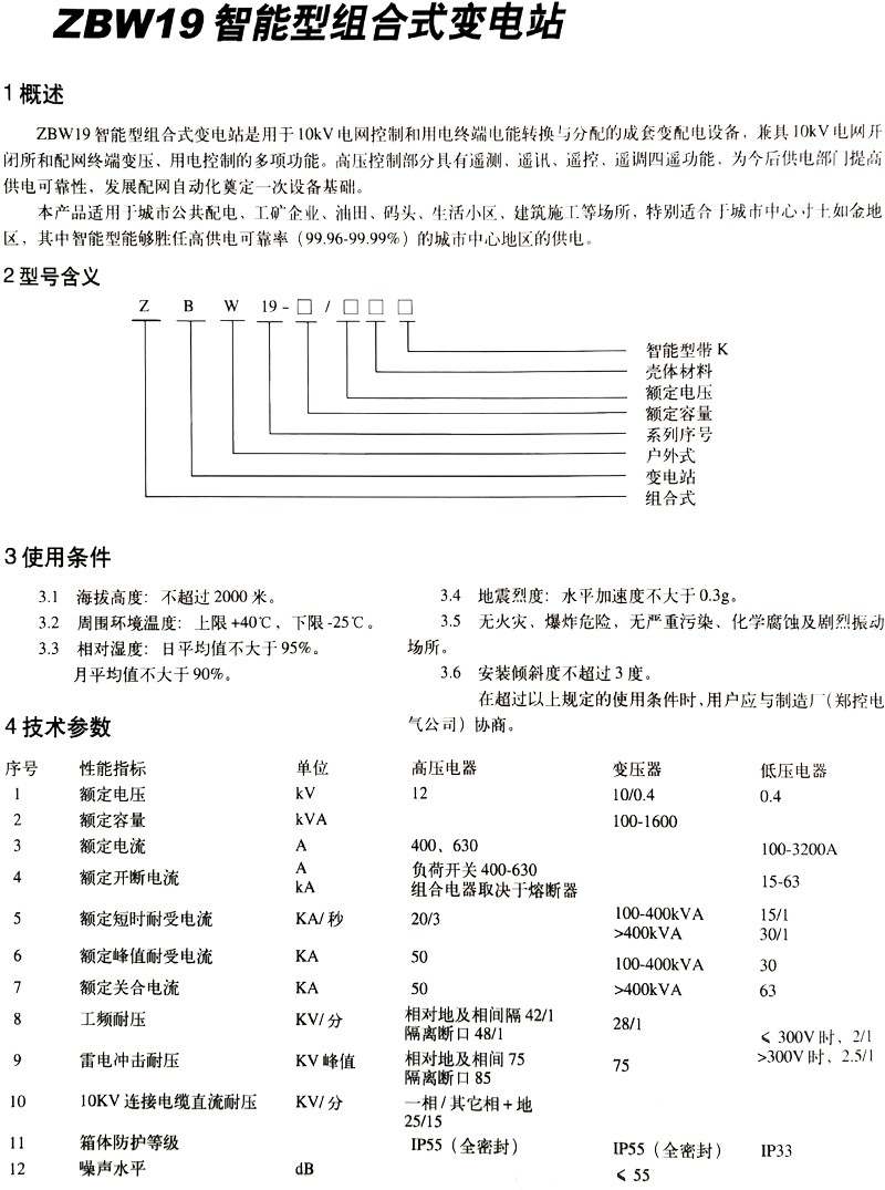
ZBW19ÖÇÄÜÐÍ×éºÏʽ±äµçÕ¾
²úÆ·ÖÐÐÄ
¸ßÖÐѹîø×°ÒÆ¿ªÊ½½»Á÷½ðÊô¹Ø±Õ¿ª¹Ø×°±¸
ÖÇÄÜÐ͵Íѹ³é³öʽ¿ª¹Ø×°±¸
ÖÇÄÜÐÍÏäʽ±äµçÕ¾
¸ßÖÐѹÏäÐÍÀο¿Ê½½»Á÷½ðÊô¹Ø±Õ»·Íø¿ª¹Ø×°±¸
µÍѹ¶¯Á¦¹ñ¡¢¿ØÖƹñ¡¢ÕÕÃ÷Ïä×Ô¶¯»¯¿ØÖÆ×°±¸
Ò½ÁÆ×°±¸¡¢»·±£×°±¸
¸ßѹµçÀ·ÖÖ§Ïä
µçÁ¦±äѹÆ÷
¹Ø±ÕʽĸÏß²Û
ZBW19ÖÇÄÜÐÍ×éºÏʽ±äµçÕ¾
ÁªÏµ¿Ê±
µç»°£º0371-63787018 63787028
ÊÖ»ú£º13903863688 18838071111
ÓÊÏ䣺zkzm@vip.163.com
꿅᣼www.zkdg.cn
13903863688 18838071111
²úÆ·ÐÎò
ÉÏÒ»¸ö
ÏÂÒ»¸ö
ÍøÕ¾µØÍ¼